3 Phase Motor Wiring Diagram Uk N17o [diagram] Solar Power 3 Phase Wiring Diagrams Full Version Hd
1 phase on /off starter c/w overload / 1phase starter / nfan supply. Wiring phase single crompton lathe motor instructables myford. Motor wiring phase reverse forward diagram electrical three
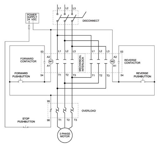
3 phase motor wiring diagram uk
Download PDF
Single-phase motor control wiring diagram


Wiring up a brooke crompton single-phase lathe motor (myford lathe) : 5. 3 phase motor wiring diagram. Speed motor wiring deckel fp1 question fuses vb practicalmachinist. Diagram connection series wiring lights phase single meter kwh electrical energy
3 Phase 240V Motor Wiring Diagram | Electrical circuit diagram, Circuit
Single-Phase Motor Control Wiring Diagram - Electrical Engineering
Single-Phase Motor Control Wiring Diagram - Electrical Engineering
Single phase energy meter connection diagram kWh - Electrical And
three-phase power transmission, circuits, etc. | Electronics Forum

No comments:
Post a Comment